Transformador de Corrente CT
Tipo de ferida 5p10 5p20 Ct 100 150 400 5a
  • Tipo de ferida 5p10 5p20 Ct 100 150 400 5aTipo de ferida 5p10 5p20 Ct 100 150 400 5a

Tipo de ferida 5p10 5p20 Ct 100 150 400 5a

Para fornecer transformadores de potencial e transformadores de corrente de alta qualidade, Wenzhou XiFa Electric Power Equipment Co., Ltd oferece suporte a serviços personalizados para clientes, como produção e fornecimento de tipo enrolado 5p10 5p20 ct 100 150 400 5a. Na WenZhou XiFa elétrica, a equipe de produção mantém o estoque de transformadores de corrente do tipo regular, como um transformador de corrente 100/5a 10p10 0,5, para garantir a entrega rápida. Porém, a empresa oferece suporte a serviços customizados para atender diversas demandas de eletricidade, como transformador de corrente de alimentação cuja classe de proteção é 5p10 ou 5p20.

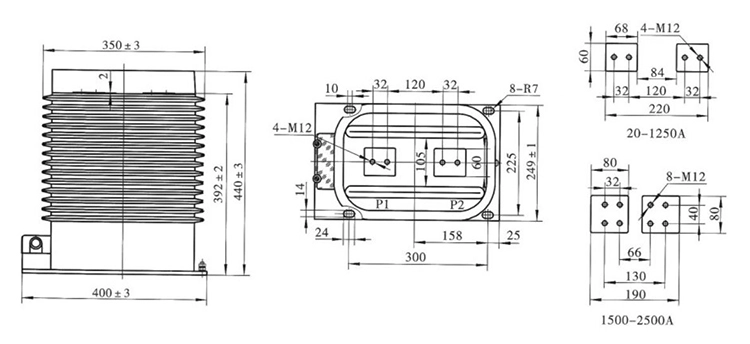
O transformador de corrente tipo enrolado é projetado para medição confiável de corrente e proteção em sistemas de energia de média tensão, como 10kv, 20kv e 35kv. Disponível em relações de corrente de 100/5A, 150/5A e 400/5A e com classes de precisão de proteção de 5P10 e 5P20, este tipo enrolado 5p10 5p20 ct 100 150 400 5a fornece saída de corrente secundária precisa, adequada para aplicações de medição, medição e relé de proteção.

Fabricado com núcleos magnéticos sólidos e bobinas secundárias, o transformador de corrente enrolado garante desempenho estável sob condições de curto-circuito e fornece transformação de corrente precisa mesmo durante eventos transitórios. Seu robusto sistema de isolamento, muitas vezes incorporando epóxi ou resina de alta qualidade, garante segurança, longa vida útil e resistência à umidade e ao estresse ambiental.

O projeto do tipo enrolado permite instalação flexível em painéis de manobra, painéis de controle e quadros de distribuição, para fornecer suporte confiável para esquemas de proteção de relés. O transformador de corrente tipo enrolado é ideal para plantas industriais, instalações comerciais e redes de distribuição de serviços públicos onde a medição de corrente precisa e confiável é essencial para monitoramento operacional e controle de proteção.

Wound Type 5p10 5p20 Ct 100 150 400 5a

Especificação Técnica:

Tipo Corrente nominal primária (A) Classe de Precisão Classe de precisão e saída nominal cosΦ=0,8 Corrente térmica de curta duração (kA/S) Corrente Dinâmica Nominal (kA)
0,2 (s) 0,5 (s) 10P10
LZZBJ9-35 20-100 0,2/0,2 0,2/0,5 0,2/5P20 0,5/5P20 0,2/0,5/5P 0,2/5P/5P 10 10 15 150I1n 375I1n
150-200 31.5 80
300-500 31,5/2 80
600-1250 15 30 20 31,5/4 80
1500-2000 20 40 30 40/4 125
2500 20 40 20 40/4 125


Tipo Corrente nominal primária (A) Classe de Precisão Capacidade (VA) Corrente térmica de curta duração (kA/S) Corrente Dinâmica Nominal (kA)
LZZBJ9-35 10 0,2/10P10 0,5/10P10 0,2/5P20 0,5/5P20 0,2/0,5/10P10 0,2/0,5/5P20 0,2/10P10/5P20 0,5/10P10/5P20 15/20 20/20 15/20 20/20 15/20/20 15/20/20 15/20/20 20/20/20 1,5/1 3.75
20 2/1 5
30 3/1 7.5
40 01/04 10
50 01/05 12.5
75 7,5/1 18.75
100 01/10 25
150 15/1 37.5
200 20/1 50
300 31,5/1 80
400 31,5/2 80
500 31,5/2 80
600 31,5/2 80
800 31,5/3 80
1000 31,5/3 80
1200 31,5/3 80
1500 31,5/3 80
2000 31,5/3 80

Wound Type 5p10 5p20 Ct 100 150 400 5a

Perguntas frequentes sobre o produto:

P: O que significa “ferida tipo 5P10” ou “5P20” em uma ferida tipo 5p10 5p20 ct 100 150 400 5a?

R: O termo “tipo enrolado” refere-se a TCs onde o condutor primário é um enrolamento enrolado em vez de um barramento ou barra através do núcleo. A classe 5P10 ou 5P20 indica a precisão da proteção: 5P significa até 5% de erro na corrente nominal secundária, e o número 10 ou 20 é o múltiplo de curto prazo máximo permitido da corrente nominal primária sem exceder o erro especificado.

P: Como escolho a classificação correta do CT para o meu sistema?

R: Selecione um TC com base na corrente de carga máxima e nos requisitos de proteção do seu sistema. Por exemplo, um TC 100/5A é adequado para circuitos com correntes típicas em torno de 100 A, enquanto 400/5A é projetado para alimentadores de corrente mais alta. Escolha uma classe de proteção (5P10 ou 5P20) de acordo com a sensibilidade de detecção de falta do relé e a corrente de curto-circuito esperada.

P: Quais condições ambientais podem ser ferida tipo 5p10 5p20 ct 100 150 400 5a?

R: Esses transformadores de corrente do tipo enrolado são normalmente classificados para temperaturas ambientes de –10 °C a +40 °C, com altitude máxima de 1.000 m. Os materiais da carcaça e os sistemas de isolamento são projetados para operação resistente à umidade, poeira e poluição, para garantir um desempenho de proteção confiável em ambientes industriais e de serviços públicos.




Hot Tags: Tipo de ferida 5p10 5p20 Ct 100 150 400 5a, fornecedor de transformador de corrente, transformadores de medição por atacado
Enviar consulta
Informações de contato
  • Endereço

    Nº 391, Jingqi Road, Zona Industrial de Yanpan, cidade de Yueqing, província de Zhejiang, China

Para obter sua cotação o mais rápido possível

XiFa - seu fornecedor confiável de equipamentos elétricos
X
Utilizamos cookies para lhe oferecer uma melhor experiência de navegação, analisar o tráfego do site e personalizar o conteúdo. Ao utilizar este site, você concorda com o uso de cookies. política de Privacidade
Rejeitar Aceitar