Potencial Transformador PT
Transformador de potencial monofásico de 13,8 Kv em subestação
  • Transformador de potencial monofásico de 13,8 Kv em subestaçãoTransformador de potencial monofásico de 13,8 Kv em subestação

Transformador de potencial monofásico de 13,8 Kv em subestação

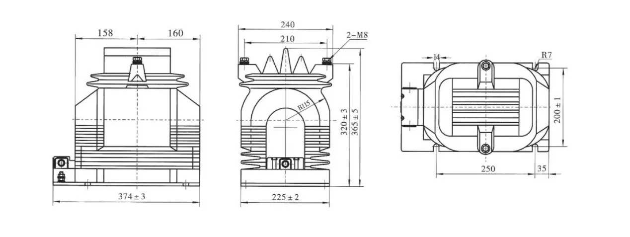
Para produzir um transformador de potencial monofásico confiável de 13,8 kv na subestação, a Wenzhou XiFa Electric Power Equipment Co., Ltd adota aço elétrico CRGO premium como material principal do núcleo para reduzir o valor de perda e melhorar a classe de precisão, e fio de cobre esmaltado de alta resistência como material principal da bobina para garantir a relação de voltas e o isolamento entre voltas através do enrolamento de precisão. Cada vez mais, cada transformador de potencial monofásico de 13,8 kv na subestação adota o processo de produção de fundição a vácuo de resina epóxi para criar uma estrutura global solidificada que não é fácil de absorver umidade, o que é adequado para ambientes quentes, úmidos e empoeirados.

Características do produto:

Um transformador de potencial monofásico de 13,8 Kv em subestação é projetado para reduzir a tensão primária de 13,8 kv para uma tensão secundária padrão, como 100 ou 110 volts. A tensão reduzida é então fornecida aos enrolamentos paralelos para medir instrumentos e relés de proteção, permitindo que medições de tensão primária sejam feitas indiretamente com instrumentos de baixa tensão. Tal abordagem simplifica o projeto do instrumento, economiza custos e garante a segurança do equipamento e do pessoal operacional.


O princípio de funcionamento de um transformador de potencial monofásico de 13,8 kv é o mesmo de um transformador de distribuição de energia, cuja relação de transformação é determinada pelo número de voltas nas bobinas primária e secundária. Aumentar o número de voltas secundárias reduz a proporção, enquanto aumentar o número de voltas primárias a aumenta. É importante observar que sob nenhuma circunstância o circuito secundário de um transformador de potencial monofásico de 13,8 kv deve ser curto-circuitado durante a operação.

13 8 Kv Single Phase Potential Transformer In Substation

Especificação Técnica:

Tipo Relação de tensão nominal (kV) Classe de Precisão Classe de precisão e saída nominal cosΦ=0,8 O máximo. Saída (VA)
0.2 0.5 1 6(P)
JDZ11-15 (15/√3)/(0,1/√3)/(0,1/3) 0,2/6P 0,5/6P 1/6P 30 80 150 100 400
JDZ11-20 (20/√3)/(0,1/√3)/(0,1/3)
JDZ11-15 (15/√3)/(0,1/√3)/(0,1/√3)/(0,1/3) 0,2/0,2/6P 0,2/0,5/6P 15 20 N / D 100 2*200
JDZX11-20 (20/√3)/(0,1/√3)/(0,1/√3)/(0,1/3)

13 8 Kv Single Phase Potential Transformer In Substation

Perguntas frequentes sobre o produto:

P: Qual a diferença entre um transformador de potencial monofásico de 13,8 kV e um transformador de potência de 13,8 kv?

R: Embora ambos sejam dispositivos de conversão de tensão, um transformador de potencial monofásico de 13,8 kV é projetado para medição e proteção, em vez de transferência de energia. Sua carga nominal é relativamente pequena, geralmente expressa em VA, enquanto os transformadores de potência suportam cargas em um valor maior que conta em kVA ou MVA.


P: Quais métodos de isolamento são usados ​​em um transformador de potencial monofásico de 13,8 kv?

R: A maioriatransformadores potenciaisneste nível de tensão, utilize isolamento fundido em resina epóxi para serviços internos ou invólucros de porcelana/silicone para instalações externas. Alguns projetos utilizam isolamento imerso em óleo para alcançar uma vida útil prolongada e maior capacidade térmica.


P: Como um transformador de potencial monofásico de 13,8 kV deve ser conectado em uma subestação?

R: Para medição fase-terra, o primário do TP é conectado entre uma fase e o terra. Em um sistema trifásico, um conjunto de TPs monofásicos ou uma unidade de TPs trifásicos pode ser usado para medir tensões linha a linha e linha a terra.


P: Que problemas podem surgir com transformadores de potencial monofásicos de 13,8 kV em subestações?

R: Problemas comuns incluem degradação do isolamento, ferroressonância sob certas condições de comutação, superaquecimento devido a sobrecarga e condições de circuito secundário aberto que podem causar tensões perigosamente altas.



Hot Tags: Transformador de potencial monofásico de 13,8 Kv no fornecedor de subestação, transformador de potencial de subestação no atacado
Enviar consulta
Informações de contato
  • Endereço

    Nº 391, Jingqi Road, Zona Industrial de Yanpan, cidade de Yueqing, província de Zhejiang, China

Para obter sua cotação o mais rápido possível

XiFa - seu fornecedor confiável de equipamentos elétricos
X
Utilizamos cookies para lhe oferecer uma melhor experiência de navegação, analisar o tráfego do site e personalizar o conteúdo. Ao utilizar este site, você concorda com o uso de cookies. política de Privacidade
Rejeitar Aceitar